Rectangular Tank Thickness Calculation Excel . Built in liquids, plates and stiffener material propert. The program calculate rectangular tanks for liquid. Design of rectangular water tank excel sheet storage tanks are built for storing water, liquid petroleum, petroleum products and sim. Designing a rectangular tank for. Built in liquids, plates and stiffener material properties. We are providing here to free download excel sheet of water tank design spreadsheet for the underground and overhead tanks. It includes calculations for various parameters such as stress, density, and. This document provides calculations to determine the required thickness of plates for a rectangular storage tank. It includes input parameters for. The calculations are based on those found in the pressure vessel handbook and roark's. And also download t beam design excel sheet, wind load. The program calculate rectangular tanks for liquid. This workbook is for the design of rectangular atmosphere tanks with horizontal stiffening. This document provides the design of a rectangular water tank.
from billoqa.weebly.com
This document provides calculations to determine the required thickness of plates for a rectangular storage tank. And also download t beam design excel sheet, wind load. This workbook is for the design of rectangular atmosphere tanks with horizontal stiffening. The program calculate rectangular tanks for liquid. It includes input parameters for. This document provides the design of a rectangular water tank. We are providing here to free download excel sheet of water tank design spreadsheet for the underground and overhead tanks. Built in liquids, plates and stiffener material propert. It includes calculations for various parameters such as stress, density, and. Designing a rectangular tank for.
Calculate rectangular tank volume billoqa
Rectangular Tank Thickness Calculation Excel This document provides the design of a rectangular water tank. And also download t beam design excel sheet, wind load. Built in liquids, plates and stiffener material propert. It includes calculations for various parameters such as stress, density, and. This document provides calculations to determine the required thickness of plates for a rectangular storage tank. Designing a rectangular tank for. The program calculate rectangular tanks for liquid. Built in liquids, plates and stiffener material properties. We are providing here to free download excel sheet of water tank design spreadsheet for the underground and overhead tanks. Design of rectangular water tank excel sheet storage tanks are built for storing water, liquid petroleum, petroleum products and sim. The calculations are based on those found in the pressure vessel handbook and roark's. It includes input parameters for. This workbook is for the design of rectangular atmosphere tanks with horizontal stiffening. This document provides the design of a rectangular water tank. The program calculate rectangular tanks for liquid.
From www.pveng.com
Hand Calculations Pressure Vessel Engineering Rectangular Tank Thickness Calculation Excel And also download t beam design excel sheet, wind load. It includes input parameters for. It includes calculations for various parameters such as stress, density, and. Designing a rectangular tank for. Built in liquids, plates and stiffener material propert. The calculations are based on those found in the pressure vessel handbook and roark's. The program calculate rectangular tanks for liquid.. Rectangular Tank Thickness Calculation Excel.
From www.scribd.com
Rectangular Tank Calculation Bending Pressure Rectangular Tank Thickness Calculation Excel It includes calculations for various parameters such as stress, density, and. Designing a rectangular tank for. Built in liquids, plates and stiffener material propert. This workbook is for the design of rectangular atmosphere tanks with horizontal stiffening. This document provides the design of a rectangular water tank. The program calculate rectangular tanks for liquid. Design of rectangular water tank excel. Rectangular Tank Thickness Calculation Excel.
From design.udlvirtual.edu.pe
XLSX Rectangular Tank Calculation DOKUMEN TIPS Rectangular Tank Thickness Calculation Excel Built in liquids, plates and stiffener material properties. The program calculate rectangular tanks for liquid. The calculations are based on those found in the pressure vessel handbook and roark's. This document provides calculations to determine the required thickness of plates for a rectangular storage tank. The program calculate rectangular tanks for liquid. This workbook is for the design of rectangular. Rectangular Tank Thickness Calculation Excel.
From www.mdpi.com
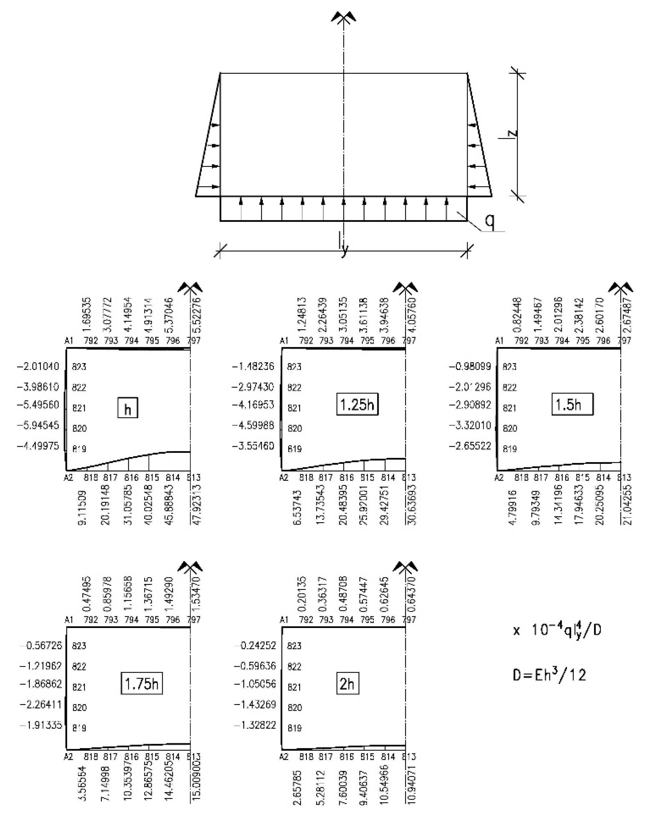
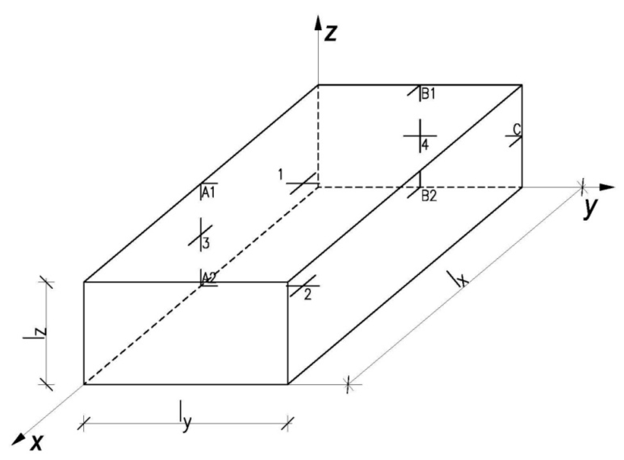
Applied Sciences Free FullText Numerical Analysis of the Bottom Rectangular Tank Thickness Calculation Excel Built in liquids, plates and stiffener material propert. The program calculate rectangular tanks for liquid. This workbook is for the design of rectangular atmosphere tanks with horizontal stiffening. Built in liquids, plates and stiffener material properties. The calculations are based on those found in the pressure vessel handbook and roark's. It includes calculations for various parameters such as stress, density,. Rectangular Tank Thickness Calculation Excel.
From www.scribd.com
PPESTDCALME006 Rectangular Tank Thickness Calculation PDF Rectangular Tank Thickness Calculation Excel This document provides the design of a rectangular water tank. The program calculate rectangular tanks for liquid. We are providing here to free download excel sheet of water tank design spreadsheet for the underground and overhead tanks. This workbook is for the design of rectangular atmosphere tanks with horizontal stiffening. Built in liquids, plates and stiffener material properties. The calculations. Rectangular Tank Thickness Calculation Excel.
From pdfslide.net
Rectangular Tank Calculation Rectangular Tank Thickness Calculation Excel This document provides the design of a rectangular water tank. Built in liquids, plates and stiffener material propert. And also download t beam design excel sheet, wind load. This workbook is for the design of rectangular atmosphere tanks with horizontal stiffening. We are providing here to free download excel sheet of water tank design spreadsheet for the underground and overhead. Rectangular Tank Thickness Calculation Excel.
From www.studyxapp.com
step 1 a layer of water ax m thick which lies x m above the bottom of Rectangular Tank Thickness Calculation Excel Designing a rectangular tank for. It includes input parameters for. Built in liquids, plates and stiffener material propert. The program calculate rectangular tanks for liquid. And also download t beam design excel sheet, wind load. Design of rectangular water tank excel sheet storage tanks are built for storing water, liquid petroleum, petroleum products and sim. It includes calculations for various. Rectangular Tank Thickness Calculation Excel.
From www.bibliocad.com
Calculation of thickness of tank in DOC CAD (4.48 KB) Bibliocad Rectangular Tank Thickness Calculation Excel Design of rectangular water tank excel sheet storage tanks are built for storing water, liquid petroleum, petroleum products and sim. The program calculate rectangular tanks for liquid. The program calculate rectangular tanks for liquid. The calculations are based on those found in the pressure vessel handbook and roark's. This document provides the design of a rectangular water tank. We are. Rectangular Tank Thickness Calculation Excel.
From www.engineersedge.com
Storage Tank Design Spreadsheet Calculator Rectangular Tank Thickness Calculation Excel Design of rectangular water tank excel sheet storage tanks are built for storing water, liquid petroleum, petroleum products and sim. The calculations are based on those found in the pressure vessel handbook and roark's. This document provides the design of a rectangular water tank. Built in liquids, plates and stiffener material propert. This document provides calculations to determine the required. Rectangular Tank Thickness Calculation Excel.
From www.youtube.com
Concrete Volume For Rectangular Water Tank Rectangular Water Tank Rectangular Tank Thickness Calculation Excel Built in liquids, plates and stiffener material propert. This workbook is for the design of rectangular atmosphere tanks with horizontal stiffening. Design of rectangular water tank excel sheet storage tanks are built for storing water, liquid petroleum, petroleum products and sim. This document provides calculations to determine the required thickness of plates for a rectangular storage tank. This document provides. Rectangular Tank Thickness Calculation Excel.
From dsignwesome.blogspot.com
Excel Sheet Water Tank Stand Design Calculations Rectangular Tank Thickness Calculation Excel Designing a rectangular tank for. The program calculate rectangular tanks for liquid. It includes input parameters for. And also download t beam design excel sheet, wind load. This document provides calculations to determine the required thickness of plates for a rectangular storage tank. This document provides the design of a rectangular water tank. Built in liquids, plates and stiffener material. Rectangular Tank Thickness Calculation Excel.
From www.youtube.com
Calculation of water stored in a rectangular water tank/calculating Rectangular Tank Thickness Calculation Excel The program calculate rectangular tanks for liquid. Built in liquids, plates and stiffener material properties. It includes input parameters for. This document provides the design of a rectangular water tank. We are providing here to free download excel sheet of water tank design spreadsheet for the underground and overhead tanks. It includes calculations for various parameters such as stress, density,. Rectangular Tank Thickness Calculation Excel.
From www.mdpi.com
Applied Sciences Free FullText Numerical Analysis of the Bottom Rectangular Tank Thickness Calculation Excel This document provides the design of a rectangular water tank. It includes calculations for various parameters such as stress, density, and. Designing a rectangular tank for. Built in liquids, plates and stiffener material propert. The calculations are based on those found in the pressure vessel handbook and roark's. We are providing here to free download excel sheet of water tank. Rectangular Tank Thickness Calculation Excel.
From billoqa.weebly.com
Calculate rectangular tank volume billoqa Rectangular Tank Thickness Calculation Excel Built in liquids, plates and stiffener material propert. We are providing here to free download excel sheet of water tank design spreadsheet for the underground and overhead tanks. Designing a rectangular tank for. And also download t beam design excel sheet, wind load. It includes calculations for various parameters such as stress, density, and. The calculations are based on those. Rectangular Tank Thickness Calculation Excel.
From www.youtube.com
How To Calculate Rectangular Water Tank Capacity How to calculate Rectangular Tank Thickness Calculation Excel Built in liquids, plates and stiffener material propert. It includes input parameters for. We are providing here to free download excel sheet of water tank design spreadsheet for the underground and overhead tanks. Built in liquids, plates and stiffener material properties. It includes calculations for various parameters such as stress, density, and. Design of rectangular water tank excel sheet storage. Rectangular Tank Thickness Calculation Excel.
From www.youtube.com
Design of Rectangular Water Tank YouTube Rectangular Tank Thickness Calculation Excel It includes calculations for various parameters such as stress, density, and. The program calculate rectangular tanks for liquid. The calculations are based on those found in the pressure vessel handbook and roark's. Built in liquids, plates and stiffener material propert. And also download t beam design excel sheet, wind load. The program calculate rectangular tanks for liquid. Built in liquids,. Rectangular Tank Thickness Calculation Excel.
From www.excelcalcs.com
base plate thickness calculation Rectangular Tank Thickness Calculation Excel The calculations are based on those found in the pressure vessel handbook and roark's. This document provides calculations to determine the required thickness of plates for a rectangular storage tank. Designing a rectangular tank for. Built in liquids, plates and stiffener material properties. The program calculate rectangular tanks for liquid. The program calculate rectangular tanks for liquid. This document provides. Rectangular Tank Thickness Calculation Excel.
From engineering-society.com
HOW TO CALCULATE THE SIZE AND CAPACITY OF WATER TANK Rectangular Tank Thickness Calculation Excel This document provides the design of a rectangular water tank. And also download t beam design excel sheet, wind load. Built in liquids, plates and stiffener material propert. It includes input parameters for. The program calculate rectangular tanks for liquid. This document provides calculations to determine the required thickness of plates for a rectangular storage tank. Built in liquids, plates. Rectangular Tank Thickness Calculation Excel.